STAFFA REGOLABILE PER TETTO
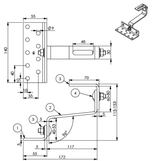
Staffa regolabile In acciaio inox A2 per la realizzazione di struttura modulare sulla quale installare i moduli fotovoltaici
Adatta per il profilo di tipo light in alluminio codice F3865 740 300
Staffa idonea per tutte le installazioni dove ci sono tegole come, a titolo di esempio, la marsigliese, romana etc.
La staffa può essere utilizzata in maniera flessibile grazie all'opzione di regolazione a tre vie
Il gancio può essere fissato alla piastra di base in tre punti diversi
L'altezza della staffa superiore può essere regolata individualmente secondo necessità






Condividi